聯系人:陸經理 18861601720
錢經理 18262289589
電話:0510-85625533
0510-85626633
0510-85626622
傳真:0510-85627088
地址:無錫市濱湖經濟技術開發區大通路509號
隔膜壓力表
產品分類:隔膜壓力表
Y-M系列隔膜式壓力表 精度等級:1.6,2.5 測壓范圍:0~0.1,0.6~100MPa 隔離膜片材料:含鉬不銹鋼,哈氏合金,蒙乃爾合金,鉭合金,氟塑料 隔離器材料::含鉬不銹鋼,哈氏合金,蒙乃爾合金,鉭合金,氟塑料
訂購熱線:0510-85625533
產品詳情
Y-M系列隔膜式壓力表 精度等級:1.6,2.5 測壓范圍:0~0.1,0.6…100MPa 隔離膜片材料:含鉬不銹鋼,哈氏合金,蒙乃爾合金,鉭合金,氟塑料 隔離器材料:含鉬不銹鋼(襯F4),耐酸不銹鋼、氟塑料 | |
| Y-M系列隔膜式壓力表適用于測量具腐蝕性、高粘度、易結晶、易凝固,溫度較高的液體、氣體或顆粒狀固體介質的壓力以及必須避免測量介質直接進入壓力儀表和防止沉淀物積累且易清洗的場合。 隔膜式壓力表主要用于石油、化工、化纖、染化、制藥、制堿食品等工業部門。 | |
| 型號標示 | |
![]() | |
| 選型示例 | |
| 標示:通用儀表為YSZ-XB(LED)數顯壓力變送器,隔離器連接形式為直接,采用MN螺母式,隔離器材料為SUS316,膜片材料為哈氏C; 測量范圍為0~1.6MPa,法蘭規格為DN40. YSZ-XB(LED)-MN-哈氏C-1.6MPa-DN40 標示:通用儀表為不銹鋼壓力表,隔離器連接形式為直接,采用MS全塑工型法蘭, 材料為PVC, 膜片材料:聚四氟乙烯,測量范圍為0~0.6Mpa,工型法蘭規格為DN25。 Y100BF-MS-PTFE-0.6MPa-DN25 | |
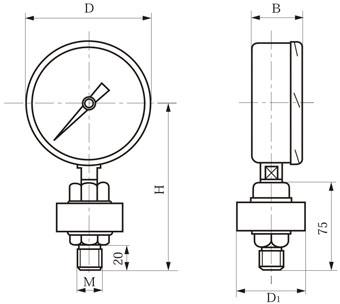
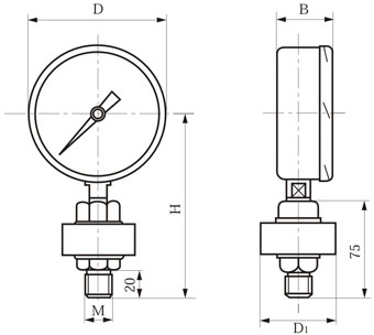
| ML螺紋式隔離器外形尺寸 | |
| 壓膜片型式 | |
![]() | ![]() |
| (1)螺栓壓膜片型式 | (2)螺紋壓膜片型式 |
| 外形尺寸 型號 D B H D1 M 0.1~2.5MPa 4~25MPa 螺栓壓膜片式 Y100-ML 100 42 149 95 91 M20×1.5 G1/2" 1/2NPT Y150-ML 150 48 179 95 91 螺紋壓膜片式 Y100-ML 100 42 149 78 48 Y150-ML 150 48 179 78 48 | |
| 膜片焊接型式 | |
|
該型是膜片直接與上法蘭焊接在一起(見右圖)。其用途: 1、適用16~100MPa中高壓范圍壓力測量。 2、適用拆卸清洗,可用于介質中有固體浮物且易沉積的場合。 d D A 測量范圍 φ68 φ95 75 16MPa φ58 φ91 75 25~60MPa φ46 φ80 72 100MPa | ![]() |
| MF法蘭式隔離器外形尺寸 螺栓壓膜片型式 膜片焊接型式 螺紋壓膜片型式 工型法蘭型式 | |
| 化工部法蘭標準:HG/T 20592~20635-2009 | |
|
DN
PN(MPa)
D
k
d
C
L
10
0.25~0.6
75
50
88
12
Φ11
1~2.5
90
60
41
14
Φ14
15
0.25~0.6
80
55
38
12
Φ11
1~2.5
95
65
46
14
Φ14
20
0.25~0.6
90
65
48
14
Φ11
1~2.5
105
75
56
16
Φ14
25
0.25~0.6
100
75
58
14
Φ11
1~2.5
115
85
65
16
Φ14
32
0.25~0.6
120
90
69
16
Φ14
1~2.5
140
100
76
18
Φ18
40
0.25~0.6
130
100
78
16
Φ14
1~2.5
150
110
84
18
Φ18
50
0.25~0.6
140
110
88
16
Φ14
1~2.5
165
125
99
20
Φ18
| |
| 根據用戶需求,可按美國(ANSI)、德國(DIN)、日本(JIS)標準制造。 | |
|
衛生型隔膜隔離器概述 Y-MC(MN、MZ)系列衛生型隔膜壓力表具有裝拆快捷方便、易于清洗、不易污染、清潔美觀、安全可靠等優點,并滿足藥品生產質量規范(GM)的要求,可廣泛應用于制藥、食品、飲料、制酪、水處理等行業。 | |
| 1、密封液的選擇 為了保證衛生型隔膜表使用的可靠性和安全性,根據不同用途,選擇合適的密封液。 密封液 受壓部溫度范圍℃ 比重 體膨脹系數 甘油水溶液 -5~100 1.27 0.61×10-3 丙二醇 -30~160 1.04 0.70×10-3 植物油 -5~100 0.93 1.03×10-3 硅油 -30~100 0.94 1.08×10-3 | |
| 2、測量范圍及型號說明 ①衛生型隔膜表的表頭一般采用φ60、φ100不銹鋼壓力表,特別在環境空氣有腐蝕性的場合。也可選用其它通用型壓力表、壓力變送器。 ②使用壓力在16~60MPa時,可選用滾焊膜片隔離器。拆洗時只需拆卸壓緊螺栓即可。 ③衛生型隔膜隔離器與壓力表及管道的連接方式也可選用其他特殊方式。本廠可代為專門設計。 型號 形式 量程上限值(MPa) 配耐震壓力表 配不銹鋼壓力表 YN60-MC Y60BF-MC MC 卡箍式 0.6~2.5 (法蘭1 1/2") YN100-MC Y100BF-MC 0.4~2.5 (法蘭2") YN100-MN Y100BF-MN MN 螺母式 0.4~2.5 YN100-MZ Y100BF-MZ MZ 螺栓式 10~60 YN100-ML、MF Y100BF-ML、MF ML、MF 滾焊膜片式 10~60 | |
| 3、衛生型隔離器分類(1)MC-卡箍式隔離器外形尺寸 ①自選件(符合ISO -2852標準) ●卡箍—1½"、2"、2½"(304、316) ●管接頭—1½"、2"、2½"(304、316) ●密封件—硅膠、聚四氟乙烯(PTFE)。②外形尺寸 法蘭規格 D D1 H 1½" 50.50 43.50 28 2" 64 56.50 32 2½" 77.50 70.50 35 | |
| (2)MN-螺母式隔膜隔離器外形尺寸 (3)MZ-螺栓式隔膜隔離器外形尺寸 參數 種類 A B C D E DN 20 31 20 3 54 Rd44×1/6" DN 25 36 21 3 63 Rd52×1/6" DN 32 42 21 3 70 Rd58×1/6" DN 40 49 21 3 78 Rd65×1/6" DN 50 62 22 3 92 Rd78×1/6" ●測量范圍:1~25MPa ●隔膜座材料:SUS 304、316 ●隔膜材料:SUS 316L | |
| 連接器外形尺寸 | |
| (1)角形接管 SUS 304 (2)硬管接管 SUS 304 | |
| (3)軟管接管SUS 304 (4)-A散熱器 銅鍍鎳、SUS 304 (4)-B散熱器 SUS 304 | |
|
(5)阻尼器 SUS 304,SUS 316
(6)過壓保護器 SUS 304,SUS 316
測壓范圍:0.4~40MPa
| |
| 使用及訂貨須知 1、用戶不得拆卸更換其它配置儀表,以防填充液外泄失去真空度,影響性能。 2、訂貨時,可根據“構成示意圖”,參考“型號示例”,正確填寫所需品種的型號,以免造成損失。 3、我廠還生產全塑法蘭、襯四氟、噴四氟法蘭,供客戶選用。 4、我廠可根據用戶需要生產各種特殊法蘭、非標螺紋的隔膜式壓力表,也可代為設計各種替代進口的隔膜壓力表。 | |
- 上一個產品:上一篇:沒有了!
- 下一個產品:下一篇:不銹鋼隔膜壓力表









































![[field:text/]](/static/upload/image/20250811/1754893364257906.jpg)
![[field:text/]](/uploads/allimg/181217/1-1Q21H10429.jpg)
![[field:text/]](/uploads/allimg/181217/1-1Q21H10429-50.jpg)






