特點:
海天公司以儀表的精密生產要求,為您提供高品質的測壓接頭和測壓軟管總成:測壓軟管選用意大利“MAC”品牌及德國“SPRADOW"品牌,管接頭都由數控機床精密加工,扣壓設備則采用芬蘭芬寶扣壓機及德國UNIFLEX全套生產設備,扣壓精度高、外型美觀,并且都經過嚴格的檢漏測試,每批次做爆破實驗。從而確保了產品安全可靠的優良品質。 |
(一)簡介
HF系列微型高壓軟管接頭總成(測壓軟管、測壓裝置)公稱通徑為3mm,最大工作壓力64MPa,用于液壓系統中,測試液壓系統中各點壓力和作為傳導流體介質的管道,該軟管接頭總成與測壓點接頭配套使用,具有結構先進,密封可靠、扣壓牢靠,體積小,重量輕,使用簡便等特點,其連接形式有鉸接式,快換式,錐面密封式等形式,本廠也可提供用戶需要的其它連接形式。
INTRODUCTION
HF hose assembly and PTadapter are designed for testing pressure in a |
|
|
hydraulic system,By installing the PT adapter in your system,you will save the use of expensive fixed gauges and reduce down time,Working pressure of 64MPa ensures extra long service life and reliability.
(二)技術參數 TECHNICAL DATA |
|
公稱通徑Normal diameter d |
3.0mm |
2.0mm |
4.0mm |
|
軟管通徑Hose inside diameter d1 |
2.9mm |
2.0mm |
4.0mm |
|
軟管外徑Hose outer diameter d |
6.0mm |
5.0mm |
8.0mm |
|
最大動態壓力 Max.dynamic pressure Pd |
40MPa(400bar) |
47MPa(470bar) |
35MPa(350bar) |
|
最大靜態壓力 Max.quiesent pressure Ps |
63MPa(630bar) |
63MPa(630bar) |
60MPa(600bar) |
|
最小爆破壓力Min.burst pressure Pe |
160MPa(1600bar) |
190MPa(1900bar) |
150MPa(1500bar) |
|
最小彎曲半徑Min.bending radius Rmtn |
30mm |
20mm |
40mm |
|
重量Weight |
23g/m |
18g/m |
47g/m |
|
管子材料material |
聚銑胺(PA) |
|
增強編織層knitting |
凱夫拉子、芳綸纖維 |
|
工作壓力/工作溫度PN/Temperature range |
-40~+50℃:100%;>80℃:86%;>100℃:77%;>120℃:60% |
|
適用溫度Temperature range |
-40~+120℃ |
|
壽命 Life according |
DIN 20024 |
|
安全系數 Safty coefficient |
靜載荷時為2.5(static);動載荷時為4(Dynamic) |
|
化學性能Acid-resistant |
耐酸性溶劑 |
|
環境適用性Surrounding suitability |
耐臭氧和紫外線無吸濕性Ozone-resistant,resistance to ultraviolet light and no moisture absorption |
|
適用介質Medium |
礦物油、水一乙二醇,酒精,汽油,乳化液,磷酸脂(需要特殊訂貨)Mineral oil,Water-glycol,Alcohol,Gasoline,Water-oil emulsions,Phosphate ester(special order) |
|
|
(三)壓力降曲線 ELEMENT PRESURE DROP(△P)AGAINST FLOW CURVES |
|
在1米長,35cst粘度的礦物油的條件下測試 |
|
|
(四)型號舉例
1、微型高壓軟管兩端可任意選定接頭的連接形式。
2、用戶欲訂購一端是快換式接頭,其接頭螺紋為M16,另一端是直接接壓力表,其接口螺紋為M14×1.5,通徑為3mm,軟管長度為1.5m的軟管總成,訂貨型號是:HFH2-P1-3-P-1.5。
3、訂購直接接壓力表形式的軟管總成時,若用戶需要帶壓力表,則要在訂單上說明壓力表的量程及表徑等。
ORDERING EXAMPLE
1、Any connecting type can be select for ends of the hose.
2、For example,One end is quick fitting of connecting thread is M16,The other is direct to connect with pressure gauge of thread is M14×1.5,Now Dia 3mm,the length ofhose assembly is 1.5M,The model of this is:HFH2-P1-3-P-1.5.
3、If you order the hose assembly is direct to connect with pressure gauge,and you aiso need the pressure gauge,the pressure range and gauge dismeter should be expressed in text. |
|
|
(五)軟管總成示例圖Example of hose asembly |
 |
(六)接頭連接尺寸 Construction size
1、快換式 Quick fitting:HFH* |
 |
H* |
M2 |
d |
L |
S |
備注remark |
|
H1 |
M12×1.25 |
ф3.3 |
22 |
17 |
|
|
H2 |
M16 |
ф3.3 |
22 |
19 |
|
|
H3 |
M14×1.5 |
ф3.3 |
22 |
17 |
|
|
H4 |
M16×1.5 |
ф3.3 |
22 |
19 |
|
|
H43 |
- |
ф3.3 |
19 |
- |
|
|
|
2、直接接壓力表 Direct to pressure gauge:HFP* |
 |
P* |
M/d |
I |
L |
S |
備注remark |
|
P1 |
M14×1.5 |
10 |
34 |
17 |
|
|
P2 |
M20×1.5 |
14 |
40 |
24 |
|
|
P3 |
G1/4''-19 |
10 |
34 |
17 |
|
|
P4 |
M30×1.5 |
20 |
48 |
36 |
|
|
P5 |
G1/2''-14 |
14 |
40 |
24 |
|
|
P6 |
M10×1 |
8 |
30 |
14 |
|
|
P11 |
1/8''-27NPT |
13 |
30 |
14 |
|
|
P12 |
1/4''-18NPT |
16 |
33 |
17 |
|
|
P13 |
3/8''-18NPT |
16 |
35 |
22 |
|
|
P14 |
1/2''-14NPT |
25 |
45 |
27 |
|
|
|
3、外固定螺紋式:Thread:HFG* |
 |
G* |
M |
I |
L |
S |
備注remark |
|
G1 |
M12×1.25 |
6 |
30 |
17 |
|
|
G2 |
M14×1.5 |
8 |
32 |
17 |
|
|
G3 |
M16×1.5 |
8 |
32 |
19 |
|
|
G6 |
M10×1 |
8 |
32 |
14 |
|
|
G7 |
M14×1 |
10 |
34 |
17 |
|
|
G8 |
M16×1 |
10 |
34 |
19 |
|
|
G21 |
7/16''-20UNF |
10 |
34 |
14 |
|
|
G22 |
1/2''20UNF |
12 |
36 |
17 |
|
|
G23 |
9/16''-18UNF |
12 |
36 |
19 |
|
|
|
4、外螺紋式 HFE * |
 |
E* |
M |
I |
L |
S |
備注
remark |
|
E1 |
M14×1.5 |
12 |
34 |
19 |
|
|
E2 |
G1/4 |
12 |
34 |
19 |
|
|
E3 |
M12×1.5 |
12 |
35 |
17 |
|
|
E4 |
M10×1 |
8 |
30 |
17 |
|
|
E5 |
G1/8 |
8 |
30 |
17 |
|
|
|
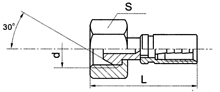
5、外錐螺紋式 HFT* |
 |
T* |
d |
I |
L |
S |
備注
remark |
|
T11 |
1/8"-27NPTF |
11 |
33 |
13 |
|
|
T12 |
1/4"-18NPTF |
16 |
37 |
16 |
|
|
T13 |
3/8"-18NPTF |
16 |
37 |
19 |
|
|
|
|
|
|
|
|
|
|
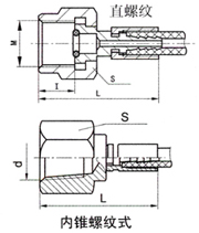
6、內螺紋內錐面式 Inside screw thread:HFC * |
 |
C* |
M |
I |
L |
S |
備注
remark |
|
C1 |
M10×1 |
7 |
31 |
15 |
|
|
C2 |
M12×1.25 |
8 |
31 |
17 |
|
|
C3 |
M14×1.5 |
8 |
31 |
17 |
|
|
C4 |
M16×1.5 |
10 |
33 |
19 |
|
|
C5 |
M12×1 |
10 |
33 |
19 |
|
|
C6 |
M14×1 |
12 |
35 |
22 |
|
|
C21 |
7/16"-20UNF |
10 |
33 |
15 |
|
|
C22 |
1/2"-20UNF |
10 |
33 |
17 |
|
|
C23 |
9/16"-18UNF |
12 |
35 |
19 |
|
|
|
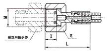
7、鉸接式 Adjustadle fitting:HF J* |
 |
J* |
M |
H |
B |
d |
L |
S |
組合墊圈
Semimetallic
gasket |
備注
remark |
|
J1 |
M10×1 |
20 |
8 |
10.2 |
35 |
15 |
10 |
|
|
J2 |
M14×1.5 |
25 |
10 |
14.2 |
39 |
19 |
14 |
|
|
J3 |
G1/8 |
20 |
8 |
10.2 |
35 |
15 |
10 |
|
|
J4 |
G1/4 |
25 |
10 |
14.2 |
39 |
19 |
14 |
|
|
J5 |
M8×1 |
20 |
8 |
8.2 |
33 |
14 |
8 |
|
|
J6 |
M12×1.5 |
25 |
12 |
12.2 |
35 |
17 |
12 |
|
|
|
8、O型圓密封式 HFF* |
 |
F* |
M |
I |
L |
S |
備注
remark |
|
F1 |
M8×1 |
8 |
35 |
14 |
|
|
F2 |
M10×1 |
8 |
35 |
14 |
|
|
F3 |
M10×1.25 |
8 |
35 |
14 |
|
|
F4 |
M14×1.5 |
9.5 |
37 |
19 |
|
|
F21 |
7/16"-20UNF |
10 |
37 |
17 |
|
|
F22 |
1/2"-20UNF |
10 |
37 |
17 |
|
|
F23 |
9/16"-18UNF |
11 |
39 |
19 |
|
|
F24 |
3/4"-16UNF |
11 |
40 |
24 |
|
|
|
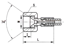
9、內螺紋60度外錐接頭 HFZ* |
 |
Z* |
d |
L |
S |
備注
remark |
|
Z1 |
G1/8" |
26 |
14 |
|
|
Z2 |
G1/4" |
30 |
17 |
|
|
Z3 |
M10×1 |
26 |
14 |
|
|
Z4 |
M14×1.5 |
30 |
17 |
|
|
|
10、錐面密封式 Cone seal fitting. HF O* |
 |
O* |
M/NPT/d1 |
I |
d |
L |
S |
密封圈
semimetallic gasket |
備注
remark |
|
01 |
M10×1 |
8 |
- |
54 |
17 |
10 |
|
|
02 |
M14×1.5 |
12 |
- |
58 |
19 |
14 |
|
|
03 |
M12×1.5 |
12 |
- |
58 |
17 |
- |
|
|
011 |
1/8-27NPT |
12 |
- |
58 |
17 |
- |
|
|
012 |
1/4-18NPT |
14 |
- |
60 |
19 |
- |
|
|
|
|
|
|
|
|
|
|
|
031 |
M12×1.5 |
|
6 |
33 |
14 |
|
|
|
032 |
M14×1.5 |
|
6 |
35 |
17 |
|
|
|
033 |
M14×1.5 |
|
8 |
35 |
17 |
|
|
|
034 |
M16×1.5 |
|
8 |
35 |
19 |
|
|
|
035 |
M16×1.5 |
|
10 |
35 |
19 |
|
|
|
036 |
M18×1.5 |
|
10 |
38 |
22 |
|
|
|
|
11、卡套式 HFK* |
 |
K* |
M/NPT/d1 |
I |
L |
S |
密封圈
semimetallic gasket |
備注
remark |
|
K1 |
M10×1 |
8 |
51 |
17 |
10 |
|
|
K2 |
M14×1.5 |
12 |
55 |
19 |
14 |
|
|
K3 |
M12×1.5 |
12 |
55 |
17 |
12 |
|
|
K11 |
1/8-27NPT |
12 |
60 |
19 |
- |
|
|
K12 |
1/4-18NPT |
16 |
60 |
17 |
- |
|
|
K16 |
R1/9-28 |
12 |
55 |
16 |
- |
|
|
K17 |
R1/4-19 |
16 |
60 |
18 |
- |
|
|
|
12、圓柱硬管式 HFB* |
 |
B* |
d |
L |
S |
I |
備注
remar |
|
B1 |
4 |
45 |
8 |
22 |
|
|
B2 |
6 |
45 |
8 |
22 |
|
|
B3 |
8 |
45 |
10 |
22 |
|
|
B4 |
10 |
48 |
14 |
25 |
|
|
|
13、速換式Snap-check fitting:HFS* |
 |
S* |
M |
I |
L |
S |
備注
remark |
|
S1 |
M14×1.5 |
12 |
104 |
19 |
|
|
S2 |
M20×1.5 |
14 |
106 |
24 |
|
|
S3 |
G1/4-29 |
12 |
104 |
19 |
|
|